dcbox小金库钱包·(中国区)官网dcbox小金库钱包

SD93F112-IMR

Flash

56k

56k

SRAM

4k

4k

ADC ENOB

19.1bits@15.2sps
Gain=128

19.1bits@15.2sps
Gain=128

LCD

4*22段

4*22段

通讯口

1个 UART、1个 I²C

1个 UART、1个 I²C
芯片描述

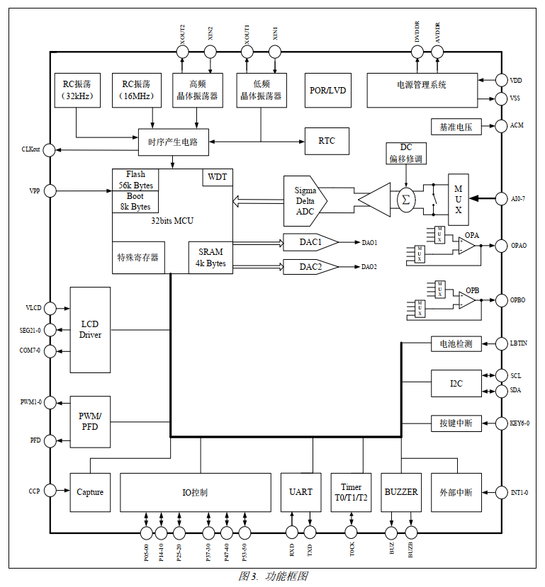
   本芯片是带有LCD驱动和24位高精度ADC的32位MCU的SoC产品,提供56KB Flash空间用于存储用户程序。

   本芯片为32位的系统芯片,可以字节、半字(16位)、全字(32位)访问,系统时钟上电默认为8MHz,可通过寄存器配置选择不同的时钟作为系统时钟,最高可配置为16MHz。

   本芯片提供四种工作模式,让用户可以在工作效率和能量消耗方面得到最佳选择,四种模式分别是:正常工作模式、待机(WAIT)模式、休眠(DOZE)模式和深度休眠(STOP)模式。


芯片特点
  • 高精度ADC,ENOB = 18.2bits@8sps (Gain = 256),4个差分通道或者8个单端通道

  • 低噪声高输入阻抗前置放大器,1、4、8、16、32、64、128和256倍增益可选, 带offset校正功能

  • 32位MCU(16MHz max),56k Bytes FLASH,8k Bytes Boot,4k Bytes SRAM

  • 内置高频RC振荡器,16MHz,校准后精度可达±1%

  • 内置低频RC振荡器,32kHz

  • 支持高频晶体振荡器,8~16MHz

  • 支持低频晶体振荡器,32.768kHz

  • 带RTC模块,可以计算年、月、星期、日、时、分和秒,可以自动进行闰年计算

  • 带LCD驱动模块,支持22SEG * 4COM、20SEG * 6COM和18SEG * 8COM三种驱 动模式;具有超低功耗和大驱动能力设计,内含程控升压模块,可以在低压条件下 维持高亮显示;驱动电压可选,2.7~5.2V

  • 内置传感器激励输出,输出电压可选,2.4~4.5V,步长为0.3V

  • 内置开短路探测电流(Burnout Detect Current Source)

  • 可输出1.2V的基准

  • 内置正弦波发生器,输出频率可选:5kHz、50kHz、100kHz和200kHz,支持八电极BIA测脂

  • 内置两个运算放大器OPA和OPB

  • 内置低压检测电路,包括两个8 bits DAC和一个rail to rail 输入的比较器,以实现 灵活的电池检测和触摸按键检测等功能。电压检测范围2.0~5.3V

  • 内置硅温度传感器,可以单点校正,支持自动正反测

  • 内置1路UART通信接口,待机时RXD下降沿自动唤醒MCU

  • 内置1路I2C通信接口

  • 内置2路独立的16位PWM输出

  • 内置1路捕捉输入口CCP

  • 内置16bits Timer0/1/2,用于定时中断等

  • 内置蜂鸣器输出驱动,驱动的时钟和频率可设置

  • 2个外部中断,INT1~0

  • 7个按键中断,KEY6~0

  • 所有数字输入口都带施密特触发输入,可选择是否使用上拉电阻,上拉电阻阻值为50kΩ

  • IO大驱动设计,6个IO的Sinking能力为60mA

  • 工作电压范围:2.4~5.5V

  • 工作温度范围:-40~85℃

芯片框图
应用领域

八电极体脂秤

血压计

产品搜索

样片申请
及购买




请填写真实有效的邮箱地址!

dcbox小金库钱包