dcbox小金库钱包·(中国区)官网dcbox小金库钱包

SD93F115-D

Flash

120k

120k

SRAM

8k

8k

ADC ENOB

19.5bits@15.2sps
Gain=128

19.5bits@15.2sps
Gain=128

LCD

4*44段

4*44段

通讯口

2个 UART、1个 I²C、1个SPI

2个 UART、1个 I²C、1个SPI
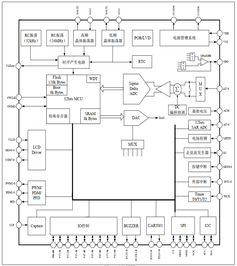
芯片描述

        本芯片是带有 LCD 驱动和 24 位高精度ADC 的 32 位 MCU 的 SOC 产品,提供 120KBFlash 空间用于存储用户程序。

        本芯片为 32 位的系统芯片,可以字节、半字(16 位)、全字(32 位)访问,系统时钟上电默认为 12MHz,可通过寄存器配置选择不同的时钟作为系统时钟,最高可配置为 24MHz。
        本芯片提供四种工作模式,让用户可以在工作效率和能量消耗方面得到最佳选择,四种模式分别是:正常工作模式、待机(
WAIT)模式、休眠(DOZE)模式和深度休眠(STOP)模式。

芯片特点
  • 高精度 ADC, ENOB = 18.6bits@8sps (Gain= 256), 4 个差分通道或者 8 个单端通道

  • 低噪声高输入阻抗前置放大器, 1、 4、 8、16、 32、 64、 128 和 256 倍增益可选, 带offset 校正功能

  • 内置 12 位 SAR ADC, 带自校准功能,采样时间及工作模式可选

  • 32 位 MCU(24MHz max), 120k BytesFLASH, 8k Bytes Boot, 8k Bytes SRAM

  • 内置高频 RC 振荡器, 24MHz, 校准后精度可达±1%

  • 内置低频 RC 振荡器, 32kHz

  • 可支持高频晶体振荡器, 8~24MHz

  • 支持低频晶体振荡器, 32.768kHz

  • 带 RTC 模块, 可以计算年、月、星期、日、时、分和秒,可以自动进行闰年计算

  • 带 LCD 驱动模块, 最多可支持 44SEG*4COM、 43SEG *5COM、 42SEG * 6COM 和 40SEG * 8COM 四种驱动模式; 具有超低功耗和大驱动能力设计,内含程控升压 模块,可以在低压条件下维持高亮显示;驱动电压可选, 2.7~5.2V

  • 内置传感器激励输出,输出电压可选,2.4~4.5V,步长为 0.3V

  • 内置开短路探测电流(Burnout Detect Current Source)

  • 可输出 1.2V 的基准

  • 内置正弦波发生器,输出频率可选:5kHz、 50kHz、 100kHz 和 200kHz,支持八 电极BIA 测脂

  • 内置两个运算放大器 OPA 和 OPB

  • 内置低压检测电路, 包括一个 8 bits DAC和一个 rail to rail 输入的比较器,以实现 灵活的电池检测和触摸按键检测等功能。 电压检测范围 2.0~5.3V

  • 内置硅温度传感器,可以单点校正,支持自动正反测

  • 内置最多 2 路 UART 通信接口,待机时RXD0/RXD1 下降沿自动唤醒 MCU

  • 内置 1 路 I2C 通信接口

  • 内置 1 路 SPI 通信接口

  • 内置 2 路独立的 16 位 PWM/PDM 输出

  • 内置 1 路捕捉输入口 CCP

  • 内置 16bits Timer0/1/2,用于定时中断等

  • 内置蜂鸣器输出驱动,驱动的时钟和频率可设置

  • 2 个外部中断, INT1~0

  • 7 个按键中断, KEY6~0

  • 所有数字输入口都带施密特触发输入, 可选择是否使用上拉电阻,上拉电阻阻值为50kΩ

  • 工作电压范围: 2.4~5.5V

  • 工作温度范围: -40~85℃

芯片框图
应用领域

八电极体脂秤

血压计

产品搜索

样片申请
及购买




请填写真实有效的邮箱地址!

dcbox小金库钱包